Need Help?





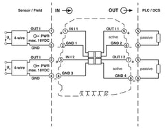
MCR passive isolator, 2-channel, for the electrical isolation of current signals without auxiliary power, with screw connection
Thanks for subscribing!
This email has been registered!
| Product | SKU | Description | Collection | Availability | Product type | Other details |
|---|