Need Help?




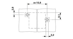
Direct plug-in block, nominal cross section: 2.5 mm2, color: green, nominal current: 12 A, rated voltage (III/2): 320 V, contact surface: Sn, contact connection type: Pin, number of potentials: 9, number of rows: 1, number of positions: 9, number of connections: 9, product range: MVSTBU 2,5/..-GB, pitch: 5.08 mm, connection method: Screw connection with tension sleeve, screw head form: L Slotted, mounting: Direct mounting, conductor/PCB connection direction: 0 °, number of solder pins per potential: 1, plug-in system: COMBICON MSTB 2,5, locking: without, mounting method: without, type of packaging: packed in cardboard
Thanks for subscribing!
This email has been registered!
| Product | SKU | Description | Collection | Availability | Product type | Other details |
|---|