Need Help?





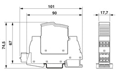
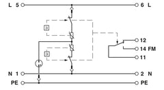
Type 2/3 surge protection, consisting of protective plug and base element with Push-in connection. For single-phase power supply network with integrated status indicator and remote signaling. Nominal voltage: 230 V AC/DC
Thanks for subscribing!
This email has been registered!
| Product | SKU | Description | Collection | Availability | Product type | Other details |
|---|