Need Help?





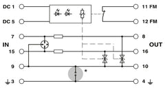
Surge protection plug with integrated diagnostic and status indicator on the module and remote indication contact for two signal wires with common reference potential. Nominal voltage: 24 V AC
Thanks for subscribing!
This email has been registered!
| Product | SKU | Description | Collection | Availability | Product type | Other details |
|---|