Need Help?





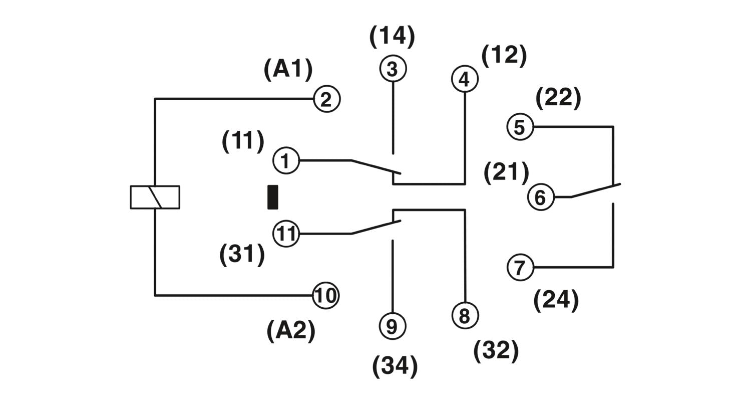
Plug-in octal relays with power contacts, 3 changeover contacts, test button, freewheeling diode, mechanical switching position indicator, polarity: A1+, A2-, input voltage: 110 V DC
Thanks for subscribing!
This email has been registered!
| Product | SKU | Description | Collection | Availability | Product type | Other details |
|---|