Need Help?





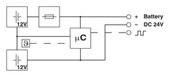
Battery module (device with battery), VRLA-AGM, 24 V DC, 12 Ah, automatic detection and communication with QUINT UPS-IQ
Thanks for subscribing!
This email has been registered!
| Product | SKU | Description | Collection | Availability | Product type | Other details |
|---|