Need Help?





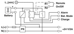
Uninterruptible power supply with integrated power supply unit, 2 A, in combination with MINI-BAT/24/DC 0.8 AH or 1.3 AH
Thanks for subscribing!
This email has been registered!
| Product | SKU | Description | Collection | Availability | Product type | Other details |
|---|